○東広島市墓地、埋葬等に関する法律施行細則
平成19年3月30日
規則第27号
(趣旨)
第1条 墓地、埋葬等に関する法律(昭和23年法律第48号。以下「法」という。)に基づく事務の施行に関しては、墓地、埋葬等に関する法律施行規則(昭和23年厚生省令第24号)に定めるもののほか、この規則の定めるところによる。
(一部改正〔平成24年規則8号〕)
(墓地等の経営主体)
第2条 墓地、納骨堂又は火葬場(以下「墓地等」という。)を経営しようとする者は、次の各号のいずれかに該当する者でなければならない。ただし、市長が特別の理由があると認めたときは、この限りでない。
(1) 地方公共団体
(2) 宗教法人法(昭和26年法律第126号)第4条第2項に規定する宗教法人で、同法第5条第1項、第52条第1項又は第59条第1項の事務所を本市の区域内又は本市に隣接する市町の区域内に有するもの
(3) 公益社団法人及び公益財団法人の認定等に関する法律(平成18年法律第49号)第4条の規定により墓地等の経営が公益目的事業として認定された法人で、一般社団法人及び一般財団法人に関する法律(平成18年法律第48号)第301条第2項第3号、第302条第2項第3号又は第312条第1項の事務所を市内に有するもの
(一部改正〔平成24年規則8号〕)
(経営許可の申請)
第3条 法第10条第1項の規定により墓地等の経営の許可を受けようとする者は、工事に着手する前に、墓地(納骨堂、火葬場)経営(変更)許可申請書(別記様式第1号)に次に掲げる書類を添えて、市長に提出しなければならない。
(1) 墓地等の周囲200メートル以内に存する国道、県道、鉄道、河川、湖沼、海、公園、学校、病院、老人福祉施設その他これらに類する施設及び人家等(以下「人家等」という。)の位置並びにこれらからの距離を示した付近の略図
(2) 墓地にあっては、墳墓の区域(一定の広さ若しくは形状に区画し、又は整地等をした墳墓を設けるための区域をいう。)を表示した区画図及び配置図並びに通路、進入路、ごみ集積設備、給水設備、排水設備、便所、休憩所、調整池、法面部分、緩衝緑地、境界植樹帯及び管理事務所等、墓地等の維持管理上必要な専用施設(以下「関連施設」という。)の配置図
(3) 納骨堂又は火葬場にあっては、納骨設備、火葬設備、建物、敷地及び関連施設の図面
(4) 墓地等に係る土地の登記事項証明書
(5) 墓地等に係る土地及びこれに隣接する土地の公図の写し
(6) 申請者が法人である場合は、定款、寄附行為又は規則の写し及び法人の登記事項証明書並びに当該許可申請に関する意思決定をした旨を証する書類
(8) 前各号に掲げるもののほか、市長が必要と認める書類
(一部改正〔平成28年規則16号〕)
(変更許可の申請)
第4条 法第10条第2項の規定により墓地の区域又は納骨堂若しくは火葬場の施設の変更の許可を受けようとする者は、変更に着手する前に、墓地(納骨堂、火葬場)経営(変更)許可申請書を市長に提出しなければならない。
2 前項の申請書には、次に掲げる書類を添付しなければならない。ただし、変更内容により市長が必要でないと認めた書類は、省略することができる。
(1) 前条各号に掲げる書類
(一部改正〔平成28年規則16号〕)
(廃止許可の申請)
第5条 法第10条第2項の規定により墓地等の廃止の許可を受けようとする者は、墓地(納骨堂、火葬場)廃止許可申請書(別記様式第3号)に次に掲げる書類を添えて、市長に提出しなければならない。
(2) 申請者が法人である場合は、当該許可申請に関する意思決定をした旨を証する書類
(3) 前2号に掲げるもののほか、市長が必要と認める書類
(一部改正〔平成28年規則16号〕)
2 市長は、前項の規定による協議があった場合において、申請予定者に対し、必要な助言及び指導を行うことができる。
(標識の設置)
第7条 申請予定者は、あらかじめ、墓地等の経営計画の概要を記載した標識を、当該墓地等の予定地の見やすい場所へ設置し、速やかにその旨を市長に届け出なければならない。
2 市長は、申請予定者が前項の標識を設置しないときは、当該標識を設置すべきことを指導するものとする。
3 申請予定者は、標識の内容に変更が生じたときは、遅滞なく当該記載内容を訂正しなければならない。
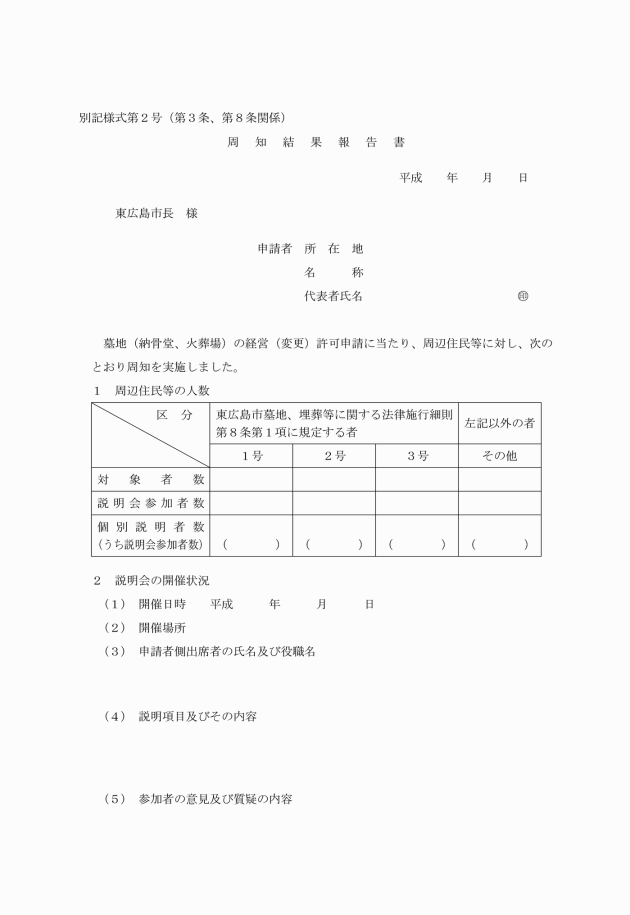
(説明会の開催)
第8条 申請予定者は、申請をする前に、次に掲げる者(以下「周辺住民等」という。)に対し、その墓地等の経営計画の内容を周知するため、説明会を開催しなければならない。
(1) 墓地等に隣接する土地の所有者
(2) 墓地等の敷地の境界からの距離が、墓地にあっては100メートル以内、納骨堂にあっては50メートル以内、火葬場にあっては200メートル以内にある建物に係る次に掲げる者
ア 人家に居住する者(世帯主に限る。)
イ 医療法(昭和23年法律第205号)第1条の5から第2条までに規定する医療提供施設のうち、患者等の収容施設を持つものの設置者
ウ 社会福祉法(昭和26年法律第45号)第2条第2項又は第3項に規定する事業を行う施設のうち、入所させて保護を行うものの設置者
(3) 前号に規定する距離内にある国道、県道、鉄道又は河川の管理者
2 申請予定者は、前項の説明会を開催したときは、速やかにその内容を記入した周知結果報告書を市長に提出しなければならない。
(周辺住民等との協議)
第9条 申請予定者は、周辺住民等から墓地等の経営計画について意見の申出があったときは、当該申出者と十分協議し、理解を得られるように努めなければならない。
2 申請予定者は、前項の協議を行ったときは、速やかにその内容を市長に報告しなければならない。
2 市長は、前項の許可をするに当たっては、公衆衛生その他公共の福祉の見地から必要な条件を付することができる。
(設置場所の基準)
第11条 墓地等の設置場所は、次に掲げる基準に適合しなければならない。ただし、市長が公衆衛生その他公共の福祉の見地から支障の生ずるおそれがないと認めるときは、この限りでない。
(1) 墓地等を経営しようとする者が所有する(工事に着手するときまでに所有することとなる場合を含む。)土地であり、かつ、当該土地に関する所有権以外の権利が存しないこと。
(2) 墓地等を経営しようとする者が維持管理することに支障がなく、かつ、周辺の公衆衛生その他公共の福祉を害さないこと。
(3) 墓地等への有効な進入路が確保されていること。
(4) 墓地にあっては、当該墓地が専ら焼骨のみを埋蔵するものである場合を除き、人家等から墓地の敷地の境界までの距離が100メートル以上であること。また、当該土地は、高燥で、かつ、飲料水を汚染するおそれのない土地であること。
(5) 納骨堂にあっては、人家、病院、老人福祉施設その他これらに類する施設から当該納骨堂の敷地の境界までの距離が50メートル以上であること。
(6) 火葬場にあっては、人家、病院、老人福祉施設その他これらに類する施設から当該火葬場の敷地の境界までの距離が200メートル以上であること。
(墓地の構造設備の基準)
第12条 墓地の構造設備は、次に掲げる基準に適合しなければならない。ただし、市長が公衆衛生その他公共の福祉の見地から支障の生ずるおそれがないと認めるときは、この限りでない。
(1) 境界には、さく溝等又は樹木の垣根を設け、隣地との境界を明らかにすること。
(2) 隣地、墳墓の区画、通路等に土石等が流出しない構造であること。
(3) 通路は、アスファルト、コンクリート等堅固な材料で構築されたものであること。
(4) 雨水又は汚水が滞留しないよう排水路を設け、下水道又は河川等に適切に排水すること。
(5) ごみ集積設備、給水設備、便所、休憩所、管理事務所及び駐車場を設ける等公衆衛生の確保に配慮した構造であること。
(6) 消火設備を設けていること。
(納骨堂の構造設備の基準)
第13条 納骨堂の構造設備は、次に掲げる基準に適合しなければならない。ただし、市長が公衆衛生その他公共の福祉の見地から支障の生ずるおそれがないと認めるときは、この限りでない。
(1) 前条各号の要件を満たすこと。
(2) 建物の構造は、建築基準法(昭和25年法律第201号)第2条第7号に規定する耐火構造であること。
(3) 床面は、コンクリート等の堅固な材料を用いたものであること。
(4) 必要な換気設備を設けたものであること。
(5) 納骨設備には、建築基準法第2条第9号に規定する不燃材料を用いたものであること。
(6) 納骨堂の出入口及び納骨設備は、施錠できる構造であること。
(火葬場の構造設備の基準)
第14条 火葬場の構造設備は、次に掲げる基準に適合しなければならない。ただし、市長が公衆衛生その他公共の福祉の見地から支障の生ずるおそれがないと認めるときは、この限りでない。
(2) 火葬場の施設の出入口には、施錠できる門扉を設けていること。
(3) 管理事務所、収骨室、遺体安置室、客用休憩室、待合室、便所及び残骨灰・集じん灰保管庫を設けていること。
(4) 火葬炉は、次の要件を満たすものであること。
ア 一つの主燃焼室に対し、一つの再燃焼室を設置していること。
イ 各燃焼室に温度計を設置し、燃焼ガス温度を800度以上に保つことができるものであること。
ウ 温度計は、燃焼室ごとに温度を連続して測定できるものであること。
エ 再燃焼室は、予熱設備を設け、燃焼ガスの滞留時間を1秒以上確保できるものであること。
(5) 集じん機は、次の要件を満たすものであること。
ア ばいじんの除去方式は、バグフィルター等による高度集じん方式であること。
イ 集じん機の入口に温度計及び燃焼ガスを200度以下に冷却する装置を設置していること。
(6) 火葬場から排出されるダイオキシン類削減対策指針(平成12年厚生省衛企第17号)に規定する排ガス中のダイオキシン類濃度の指針値に適合するよう必要な設備を設けていること。
(一部改正〔平成28年規則16号〕)
(工事の完了の届出)
第15条 法第10条第1項の規定による経営の許可又は同条第2項の規定による変更の許可を受けた者は、当該許可に係る工事が完了したときは、速やかにその旨を市長に届け出なければならない。
(遵守事項)
第16条 墓地等の経営者及び管理者は、次に掲げる事項を遵守しなければならない。
(1) 墓地等について、常に清潔を保持し、清掃及び破損箇所等の修復を怠らないこと。
(2) 墓地においては、墓石が倒壊したとき、又はそのおそれがあるときは、速やかに安全措置を講じ、又は墓地の使用者に同様の措置を講ずるよう求めること。
(3) 法令を遵守し、公衆衛生その他公共の福祉に反しないこと。
(一部改正〔平成28年規則16号〕)
(埋葬及び改葬の方法)
第17条 死体を埋葬しようとするときは、地表から死体上部までの深さを2メートル以上としなければならない。
2 死体を改葬しようとするときは、死体の防臭措置を講ずるとともに、死体発掘場所の消毒を行わなければならない。
(一部改正〔平成28年規則16号〕)
附則
1 この規則は、平成19年4月1日から施行する。
附則(平成24年3月27日規則第8号)
この規則は、平成24年4月1日から施行する。
附則(平成28年3月31日規則第16号)
この規則は、平成28年4月1日から施行する。







(一部改正〔平成28年規則16号〕)
