○東広島市危険物規制規則
平成17年2月7日
規則第58号
(趣旨)
第1条 この規則は、消防法(昭和23年法律第186号。以下「法」という。)第3章、危険物の規制に関する政令(昭和34年政令第306号。以下「政令」という。)及び危険物の規制に関する規則(昭和34年総理府令第55号。以下「省令」という。)の施行その他危険物の規制について必要な事項を定めるものとする。
(書類の経由等)
第2条 法、政令、省令又はこの規則の規定に基づき市長に提出する書類は、消防局長(以下「局長」という。)を経由しなければならない。
2 法、政令、省令又はこの規則の規定に基づき市長又は局長に提出する申請書又は届出書は、省令に特別の定めがあるものを除くほか、正副2通とする。
(仮貯蔵又は仮取扱いの承認等)
第3条 法第10条第1項ただし書の規定による承認を受けようとする者は、危険物仮貯蔵・仮取扱い承認申請書(別記様式第1号)を局長に提出しなければならない。
(一部改正〔令和3年規則64号〕)
(製造所等の設置又は変更の許可等)
第4条 市長は、法第11条第1項の規定による製造所等の設置又は変更の許可をしたときは、許可書(別記様式第4号)に当該申請書の副本を添付して申請者に交付する。
(完成検査前検査の結果通知等)
第5条 市長は、法第11条の2第1項の規定による完成検査前検査を行ったときは、同項に定める特定事項の検査(水張検査及び水圧検査に係るものを除く。)の結果について、完成検査前検査結果通知書(別記様式第7号)に当該申請書の副本を添付して申請者に通知する。
2 政令第8条の2第7項の規定によりタンク検査済証の交付を受けた者は、当該タンクの見やすい箇所に、タンク検査済証(副本)を取り付けておかなければならない。
(完成検査の手続等)
第6条 製造所等のタンク部分について、他の市町村長等の行う水張検査又は水圧検査を受けた者は、完成検査申請書に当該タンク部分が水張検査済又は水圧検査済であることを証するタンク検査済証の写しを添付しなければならない。
2 製造所等のタンク部分について、政令第8条の2第4項第1号に規定する高圧ガス保安法(昭和26年法律第204号)の検査又は労働安全衛生法(昭和47年法律第57号)の検査若しくは検定を受けた者は、完成検査申請書に当該タンクの検査証又は検定合格証の写しを添付しなければならない。
3 市長は、法第11条第5項の規定による完成検査を行った結果、法第10条第4項に規定する技術上の基準に適合しないと認めたときは、完成検査不適合通知書(別記様式第8号)に当該申請書の副本を添付して申請者に通知する。
(仮使用の承認等)
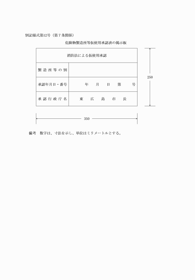
第7条 市長は、法第11条第5項ただし書の規定による承認をしたときは、申請書の副本に必要事項を記載の上、承認済印(別記様式第9号)を押印し、当該申請者に交付する。
3 省令第5条の2に規定する製造所等の仮使用承認申請書に添付する書類は、作業明細書(別記様式第11号)とする。
(特例の承認等)
第8条 政令第23条の規定による製造所等の位置、構造及び設備の基準の特例の承認を受けようとする者は、特例承認申請書(別記様式第14号)を市長に提出しなければならない。
(危険物の貯蔵又は取扱基準適合命令等)
第9条 法第11条の5第1項又は第2項の規定による命令は、危険物貯蔵・取扱基準適合命令書(別記様式第15号)により行うものとする。
2 法第12条第2項の規定による命令は、危険物製造所等修理・改造・移転命令書(別記様式第16号)により行うものとする。
3 法第12条の2第1項又は第2項の規定による命令は、危険物製造所等使用停止命令書(別記様式第17号)により行うものとする。
4 法第12条の3第1項の規定による命令及び使用の制限は、危険物製造所等一時使用停止・使用制限命令書(別記様式第18号)により行うものとする。
5 法第12条の2第1項若しくは第2項の規定による命令又は法第12条の3第1項の規定による命令若しくは使用の制限を解除したときは、危険物製造所等命令等解除通知書(別記様式第19号)により当該命令又は使用の制限を受けた相手方に通知するものとする。
6 法第13条の24第1項の規定による命令は、危険物保安統括管理者・危険物保安監督者解任命令書(別記様式第20号)により行うものとする。
7 法第16条の3第3項又は第4項の規定による命令は、危険物製造所等応急措置命令書(別記様式第21号)により行うものとする。
(一部改正〔令和3年規則64号〕)
(製造所等の許可の取消し)
第10条 法第12条の2第1項の規定による製造所等の許可の取消しは、危険物製造所等許可取消通知書(別記様式第22号)により行うものとする。
(保安検査の不適合通知等)
第11条 市長は、法第14条の3の規定による保安に関する検査を行った結果、省令第62条の3第3項に規定する技術上の基準に適合しないと認めたときは、保安検査不適合通知書(別記様式第23号)に申請書の副本を添付し、当該保安に関する検査の申請をした者に通知するものとする。
2 市長は、政令第8条の4第2項ただし書に規定する保安に関する検査時期の変更の承認をしたときは、承認書(別記様式第24号)に当該申請書の副本を添付して申請者に交付する。
(予防規程の認可等)
第12条 市長は、法第14条の2第1項の規定による予防規程の制定又は変更の認可をしたときは、当該申請書の副本に必要事項を記載の上、認可済印(別記様式第26号)を押印し、当該申請者に交付する。
2 市長は、法第14条の2第2項の規定により予防規程の制定又は変更の認可をしないときは、不認可通知書(別記様式第27号)に当該申請書の副本を添付して申請者に通知する。
(予防規程の内容)
第13条 法第14条の2第1項に規定する予防規程は、省令第60条の2に規定するもののほか、次に掲げる事項について規定しなければならない。ただし、市長が当該製造所等の危険物の貯蔵又は取扱の状況により火災予防上支障がないと認めたときは、その一部を省略することができる。
(1) 予防規程の適用及び遵守の範囲に関すること。
(2) 予防規程の改廃の手続及び方法に関すること。
(3) 危険物施設の構造及び設備の維持管理上必要な点検の時期、実施方法、実施結果の措置方法、確認等に関すること。
(4) 貯蔵し、又は取り扱う危険物の性状に応じた貯蔵及び取扱いの方法に関すること。
(5) 火災等の発生時等における非常体制組織の編成及び訓練に関すること。
(6) 危険物の取扱作業に従事する者に対する保安教育の実施の時期、方法等に関すること。
(7) 外来工事者、請負業者等の部外者に対する保安上必要な事項の周知方法、確認方法等に関すること。
(8) 危険物施設の修理又は改修について保安上必要な事項の周知方法、確認方法等に関すること。
(9) 地震防災対策に関すること。
(申請の取下げ)
第14条 法第10条第1項ただし書の規定による承認の申請を行った者は、局長の承認を受ける前に当該申請を取り下げようとするときは、危険物仮貯蔵・仮取扱い承認申請取下げ届出書(別記様式第28号)を局長に提出しなければならない。
2 法第11条第1項の規定による許可、同条第5項ただし書の承認、法第14条の2第1項の規定による認可又は政令第23条の規定による承認(以下この項において「許可等」という。)の申請を行った者は、市長又は局長(以下「市長等」という。)の許可等を受ける前に当該申請を取り下げようとするときは、許可等の申請取下げ届出書(別記様式第29号)を市長等に提出しなければならない。
(一部改正〔令和3年規則64号〕)
(審査の委託)
第15条 市長は、法第11条の3及び法第14条の3第3項に規定する審査については、危険物保安技術協会に委託して行うものとする。
(確認試験結果報告書等の提出)
第16条 市長は、法第11条第1項の規定により製造所等を設置しようとする者又は法第11条の4第1項の規定により製造所等において貯蔵し、若しくは取り扱う危険物の品名を変更しようとする者に対し、必要があると認めるときは、当該物品の確認試験(事業所等が自ら貯蔵し、又は取り扱う物品について、当該物品が危険物に該当するか否か、その性状について確認するために行う試験をいう。)の結果の報告を求めることができる。
(一部改正〔令和3年規則64号〕)
(届出の受理)
第17条 市長は、法及びこの規則の規定により市長に提出された届出書又は資料提出書を受理したときは、当該届出書の副本に届出済印(別記様式第30号)を押印して届出者に返付する。
(製造所等において貯蔵し、又は取り扱う危険物の品名、数量等の変更の届出)
第18条 法第11条の4第1項の規定による製造所等において貯蔵し、又は取り扱う危険物の品名、数量又は指定数量の倍数変更の届出には、許可書及び完成検査済証を添付しなければならない。
(一部改正〔令和3年規則64号〕)
(製造所等の譲渡又は引渡しの届出)
第19条 法第11条第6項後段の規定による製造所等の譲渡又は引渡しの届出には、許可書及び完成検査済証並びに譲渡又は引渡しがあったことを証明する書類を添付しなければならない。
(製造所等の廃止の届出)
第20条 法第12条の6の規定により製造所等の用途廃止の届出をする者は、廃止の日から7日以内に届出書に許可書、完成検査済証及びタンクを有する製造所等にあってはタンク検査済証(正本・副本)を添付して市長に提出しなければならない。
(内部点検期間延長の届出)
第21条 省令第62条の5第1項ただし書の規定により内部点検を行う期間の延長の届出をしようとする者は、内部点検期間延長届出書(別記様式第31号)を市長に提出しなければならない。
(一部改正〔平成20年規則51号〕)
(危険物保安監督者の選任又は解任の届出)
第22条 法第13条第2項の規定による危険物保安監督者の選任の届出書には、危険物取扱者免状の写し及び実務経験証明書(別記様式第32号)を添付しなければならない。
2 省令第60条の2第1項第2号に規定する危険物保安監督者の職務を代行する者の選任又は解任については、省令第48条の3及び前項の規定を準用して市長に届け出なければならない。
(在庫管理等に関する計画の届出)
第23条 危険物の規制に関する規則の一部を改正する省令(平成15年総務省令第143号)附則第3項第2号の規定により在庫管理等に関する計画の届出をしようとする者は、地下貯蔵タンク等の在庫の管理及び危険物の漏えい時の措置に関する計画届出書(別記様式第33号)を市長に提出しなければならない。
(製造所等の災害発生の届出)
第24条 製造所等の所有者、管理者又は占有者(以下「関係者」という。)は、製造所等において火災、爆発その他の災害又は危険物の流出、漏えい等の事故等が発生したときは、その大小にかかわらず速やかに法第16条の3第2項の規定による通報を行うとともに、発生の日から3日以内に危険物製造所等災害(事故)発生届出書(別記様式第34号)により市長に届け出なければならない。
(製造所等の休止又は再開の届出)
第25条 製造所等の関係者は、当該製造所等の使用を3か月以上にわたって休止しようとするときは、危険物製造所等休止・再開届出書(別記様式第35号)により、休止しようとする日の3日前までに市長に届け出なければならない。
2 製造所等の関係者は、休止した製造所等の使用を再開しようとするときは、当該製造所等の位置、構造及び設備について点検を実施し、製造所等休止・再開届出書により再開しようとする日の5日前までに市長に届け出なければならない。
(1) 法第11条第1項後段の規定による許可を必要としない軽微な変更を行う工事
(2) 法第10条第4項に規定する製造所等の位置、構造及び設備の技術上の基準の内容と関係のない工事であって、溶接、溶断その他の火気又は火花を発生する器具を使用するもの
(一部改正〔令和7年規則22号〕)
(危険物施設保安員の選任又は解任の届出)
第27条 製造所等の関係者は、法第14条の規定により危険物施設保安員を選任し、又は解任したときは、危険物施設保安員(選任・解任)届出書(別記様式第37号)により市長に届け出なければならない。
(一部改正〔令和7年規則22号〕)
(自衛消防組織の設置又は変更の届出)
第28条 製造所等の関係者は、法第14条の4の規定により当該事業所に自衛消防組織を設置し、又は変更したときは、自衛消防組織設置・変更届出書(別記様式第38号)により市長に届け出なければならない。
(一部改正〔令和7年規則22号〕)
(1) 製造所等の設置者の住所、氏名又は名称(法人にあってはその名称、代表者の氏名又は主たる事務所の所在地)を変更したとき。
(2) 製造所等の所在地又は設置者若しくは管理者の住所に住居表示がされたことにより、当該所在地又は住所に変更があったとき。
(3) 製造所等の運営管理を委任したことその他の事情により、製造所等の管理者を変更したとき。
(一部改正〔平成20年規則51号・令和7年22号〕)
(危険物等の収去)
第30条 市長は、法第16条の5第1項の規定により危険物又は危険物であることの疑いのある物を収去するときは、収去書(別記様式第40号)を関係者に交付する。
(一部改正〔令和7年規則22号〕)
(移動タンク貯蔵所常置場所の標識等)
第31条 政令第15条第1項第1号に規定する移動タンク貯蔵所の常置場所には、見やすい箇所に、移動タンク貯蔵所の常置場所であることを表示した標識及び防火に関し必要な事項を表示した掲示板を設置しなければならない。
2 前項に規定する標識及び掲示板は、次のとおりとする。ただし、掲示板の表示及び色については、省令第18条第1項第4号及び第5号の規定を準用する。
(1) 標識及び掲示板は、幅0.3メートル以上、長さ0.6メートル以上の板であること。
(2) 標識の色は、地を白色、文字を黒色とすること。
2 許可書の汚損により前項の規定による申請をする場合は、申請書に当該許可書を添えて提出しなければならない。
3 許可書を忘失してその再交付を受けた者は、忘失した許可書を発見した場合は、速やかにこれを市長に提出しなければならない。
(一部改正〔令和7年規則22号〕)
(代理人による申請)
第33条 製造所等の関係者が代理人を申請者として、法に基づく申請書若しくは届出書はこの規則に基づく届出書(資料提出書を含む。)を提出するときは、当該申請又は届出に係る権限を委任する旨を証する書面を添付しなければならない。
(立入検査の証票)
第34条 法第16条の3の2第3項及び第16条の5第3項の規定により準用する法第4条第2項の立入検査の証票は、東広島市火災予防規則(平成17年東広島市規則第59号)第2条に規定する立入検査の証票をもって充てる。
(一部改正〔平成20年規則51号〕)
2 前項の標識の設置期間は、命令を発した日から当該命令事項の履行等により当該命令が効力を失う日までとする。
3 省令第7条の5に規定する市長が定める方法は、次に掲げる方法とする。
(1) 市役所前の掲示場に掲示する方法
(2) 消防局の掲示場に掲示する方法
(3) 法第11条の5第4項の規定による命令に係る法第16条の5第1項の貯蔵所等の所在地をその所管区域に含む市役所支所及び市役所出張所の掲示場に掲示する方法
(4) 前号の所在地をその管轄区域に含む消防署分署の掲示場に掲示する方法
(5) インターネットを利用する方法
(一部改正〔令和3年規則22号・7年22号〕)
(委任)
第36条 この規則の施行について必要な事項は、局長が定める。
附則
この規則は、公布の日から施行する。
(一部改正〔平成21年規則4号〕)
附則(平成17年4月1日規則第101号)
この規則は、公布の日から施行する。
附則(平成20年8月27日規則第51号)
この規則は、公布の日から施行する。
附則(平成21年2月24日規則第4号抄)
1 この規則は、平成21年4月1日から施行する。
附則(平成28年3月31日規則第31号)
この規則は、平成28年4月1日から施行する。
附則(令和3年3月29日規則第22号)
1 この規則は、令和3年4月1日から施行する。
2 この規則の施行の際現にあるこの規則による改正前の様式(次項において「旧様式」という。)により使用されている書類は、この規則による改正後の様式によるものとみなす。
3 この規則の施行の際現にある旧様式による用紙については、当分の間、これを取り繕って使用することができる。
附則(令和3年12月16日規則第64号)
1 この規則は、令和4年1月1日から施行する。
2 この規則の施行の際現にあるこの規則による改正前の様式(以下「旧様式」という。)により使用されている書類は、この規則による改正後の様式によるものとみなす。
3 この規則の施行の際現にある旧様式による用紙については、当分の間、これを取り繕って使用することができる。
附則(令和7年3月11日規則第22号)
1 この規則は、令和7年4月1日から施行する。
2 改正後の第26条及び第29条の規定は、この規則の施行の日以後にされる届出について適用し、同日前にされた届出又は資料の提出については、なお従前の例による。
3 この規則の施行の際現にあるこの規則による改正前の様式(以下「旧様式」という。)により使用されている書類は、この規則による改正後の様式によるものとみなす。
4 この規則の施行の際現にある旧様式による用紙については、当分の間、これを取り繕って使用することができる。
(全部改正〔令和3年規則64号〕)

(一部改正〔令和3年規則22号〕)

(一部改正〔平成17年規則101号・28年31号・令和3年22号・64号〕)

(一部改正〔令和3年規則22号〕)

(一部改正〔平成17年規則101号・28年31号・令和3年22号〕)

(一部改正〔令和3年規則22号〕)

(一部改正〔令和3年規則22号〕)

(一部改正〔平成17年規則101号・28年31号・令和3年22号〕)

(一部改正〔令和3年規則22号〕)

(一部改正〔平成17年規則101号・28年31号・令和3年22号〕)


(一部改正〔令和3年規則22号〕)

(一部改正〔平成17年規則101号・28年31号・令和3年22号〕)

(一部改正〔令和3年規則22号〕)

(一部改正〔平成17年規則101号・28年31号・令和3年22号〕)

(一部改正〔平成17年規則101号・28年31号・令和3年22号〕)

(一部改正〔平成17年規則101号・28年31号・令和3年22号〕)

(一部改正〔平成17年規則101号・28年31号・令和3年22号〕)

(一部改正〔平成17年規則101号・28年31号・令和3年22号〕)

(一部改正〔平成17年規則101号・28年31号・令和3年22号〕)

(一部改正〔平成17年規則101号・28年31号・令和3年22号〕)

(一部改正〔平成17年規則101号・28年31号・令和3年22号〕)

(一部改正〔平成17年規則101号・28年31号・令和3年22号〕)

(一部改正〔令和3年規則22号〕)

(一部改正〔平成17年規則101号・28年31号・令和3年22号〕)

(一部改正〔令和3年規則22号〕)

(一部改正〔平成17年規則101号・28年31号・令和3年22号〕)

(一部改正〔令和3年規則22号・64号〕)

(一部改正〔令和3年規則22号〕)

(一部改正〔令和3年規則22号〕)

(一部改正〔令和3年規則22号〕)

(一部改正〔令和3年規則22号〕)

(一部改正〔令和3年規則22号〕)

(一部改正〔令和3年規則22号〕)

(一部改正〔令和3年規則22号〕)

(一部改正〔令和3年規則22号・7年22号〕)

(一部改正〔令和3年規則22号・7年22号〕)

(一部改正〔令和3年規則22号・7年22号〕)

(一部改正〔令和3年規則22号・7年22号〕)

(一部改正〔令和3年規則22号・7年22号〕)

(一部改正〔令和3年規則22号・7年22号〕)

(一部改正〔令和3年規則22号・7年22号〕)
