○東広島市私有道路寄附受納要綱
平成25年3月29日
告示第135号
(趣旨)
第1条 この要綱は、東広島市内に存する私有道路の寄附受納に関し、必要な事項を定めるものとする。
(受納の要件)
第2条 市が寄附を受ける私有道路(以下この条において「寄附道路」という。)は、道路構造令(昭和45年政令第320号)及び東広島市道路構造の技術的基準等を定める条例(平成24年東広島市条例第36号)の規定に適合し、かつ、次の各号のいずれにも該当するものとする。
(1) 寄附道路において車両等が実質的に通行が可能な幅員(以下「幅員」という。)が4メートル以上であること。
(2) 現在寄附道路を利用している世帯が2世帯(同一敷地内に居住する3親等以内の世帯は、1世帯とみなす。以下同じ。)以上であること又は2世帯以上の利用があるマンション(マンションの管理の適正化の推進に関する法律(平成12年法律第149号)第2条第1号に規定するマンションをいう。)が存する道路であること。
(3) 寄附道路と他の道路の接続については、次のいずれかに該当すること。
ア 両端がともに国道、県道、市道又は市が管理する幅員が4メートル以上の道路(以下この号において「公道」という。)に接続していること。
イ 一端のみが公道に接続している道路で、次のいずれかに該当するもの
(ア) 道路の延長が35メートル以下のもの
(イ) 幅員が6.5メートル以上のもの
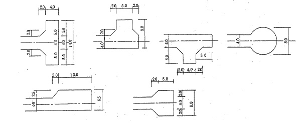
(ウ) 幅員6.5メートル未満で、終端に、別表で図示する転回広場が設置されているもの
(エ) 学校、保育所、公園、その他一般の用に供する施設に接続しており、その敷地を利用して転回が可能なもの
(オ) 団地等で、道路が周回できる形態となっているもの
(4) 寄附道路の用地内に、次条で掲げる道路法(昭和27年法律第180号)第32条第1項に規定する工作物、物件又は施設(以下「占用物件」という。)以外のものが存在しないこと。
(5) 寄附道路の用地が道路として適切に分筆されていること。
(6) 寄附道路と隣接地の境界が境界標等で明確になっていること。
(7) 寄附道路の土地所有者全員が寄附について承諾していること。
(8) 寄附道路の用地に所有権以外の権利が設定されていないこと。
(9) 寄附道路に道路排水施設が整備されており、当該道路排水施設は、国、県、市等が管理する水路等に接続されていること。
(10) 寄附道路は、アスファルト、コンクリート等により舗装されており、その状態が良好であること。
(11) 道路を構成する構造物(雨水管渠を含む。)が健全であること。
(12) 交通安全施設が必要に応じて設置されていること。
(13) 建築を目的として新設された道路においては、建築又は開発の担当部局との事前協議が整ったものであること。
(一部改正〔平成26年告示385号・29年184号〕)
(占用物件)
第3条 私有道路内に占用物件が現に設置されている場合においては、当該占用物件の管理は、従前の管理者が行うものとし、寄附後、速やかに道路法第32条第1項又は東広島市公共物の管理等に関する条例(平成14年東広島市条例第11号)第4条第1項の許可を受けなければならない。
(一部改正〔平成29年告示184号〕)
(1) 土地改良法(昭和24年法律第195号)に基づき築造された道路のうち、別に定めるところにより道路管理者との協議が整ったもの
(2) 建築基準法(昭和25年法律第201号)第42条第1項第5号の規定により位置の指定管理者を受けた道路(以下この号において「位置指定道路」という。)で、次のいずれにも該当するもの
ア 道路の構造が開発行為等の許可の技術的基準(平成18年4月1日制定)の規定に準じた構造となっているもの。ただし、幅員及び隅切りに関する項目を除く。
イ 道路管理者と事前に協議が整い、かつ、位置指定道路の完了検査時に道路管理者の確認を得たもの
ウ 2世帯以上の利用が見込まれるもの
(3) 歩行者専用道路で、幅員が2メートル以上のもの
(4) 自転車専用道路で、幅員が2.5メートル以上のもの
(5) 法定外公共物(里道等)の代替道路で、幅員が既存道路の幅員以上かつ1メートル以上のもの
附則
この要綱は、平成25年4月1日から施行する。
附則(平成26年7月18日告示第385号)
この要綱は、平成26年8月1日から施行する。
附則(平成29年3月31日告示第184号)
この告示は、平成29年4月1日から施行する。
別表(第2条関係)
(全部改正〔平成26年告示385号〕)
単位:メートル
転回広場
